Jak lze TČ napojit na systém vytápění a přípravu TUV?
Motto: „tepelné čerpadlo je v podstatě velice jednoduchý stroj, daleko složitější je jeho aplikační využití“
Společnost 4u-therm instaluje TČ jak pro vytápění objektu, tak pro ohřev TUV. Naše koncepce aplikování TČ počítá vždy s osazením různě objemné akumulační nádrže, která se pak pro zbytek otopného systému chová jako zdroj tepla, anebo předehřev topné vody pro další zdroje. Úkolem TČ je pak optimalizovaná dodávka tepla do této akumulační nádrže. Výhodou této koncepce je nenutit zákazníka k používání „Naší“ regulace, ale naopak možnost využívat stávající regulaci, anebo zvolit regulaci podle dalších aspektů otopné soustavy s regulováním dalších zdrojů tepla, případně zvolit nejefektivnější zónovou regulaci.
Společnost 4u-therm nabízí několik základních předdefinovaných hydraulických regulačních schémat, která pokryjí většinu otopných soustav. Vzhledem ke skutečnosti, že regulátor TČ 4u-therm je naším výrobkem, lze úpravou firmware a software regulátoru vyregulovat jakoukoli soustavu.
Regulační schémata (RS)
Základní RS
Základní RS + AKU
Základní RS + AKU s dohřevem
Základní RS + AKU + TUV
Základní RS + AKU + TUV (nepřímý ohřev)
Základní RS
Regulační hydraulické schéma řeší autonomní funkci TČ a jeho spouštění je vyžádáno řídícím signálem. Jediné schéma bez akumulační nádrže. Před aplikací tohoto schématu je nutné zabezpečit dostatečný odběr topné vody, např. existující akumulační nádobou.
Základní RS + AKU
Regulační hydraulické schéma pro standardní otopnou soustavu s existujícím zdrojem tepla. Výstup teplé vody z akumulační nádoby bude zpátečkou pro stávající zdroj a tento zajistí pouze dohřev na požadovanou teplotu. Regulační schéma především pro otopné systémy s vyšší teplotou topné vody anebo s vyšší teplotou bivalence – nezateplený dům.
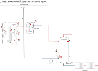
Základní RS + AKU s topnou patronou
Regulační hydraulické schéma pro standardní novou otopnou soustavu, kdy neexistuje žádný zdroj tepla. Elektrická patrona v akumulační nádrži spíná při překročení bodu bivalence anebo odstavení TČ. Příkon patrony je závislý na tepelné ztrátě objektu a v případě větších objektů může být akumulační nádoba osazena několika patronami. U tohoto systému není potřeba jakýkoli jiný zdroj tepla. Regulační schéma především pro nové objekty s nižší energetickou náročností a nízkoteplotní charakteristikou.
Základní RS + AKU + TUV
Regulační hydraulické schéma zajišťující otop a ohřev teplé užitkové vody. Pro tento případ je nejprve nahřívána TUV na požadovanou teplotu a poté systém přepnut na otop. V letním období je ohřev AKU blokován a realizuje se ohřev jen TUV. Nádrž na TUV má vždy záložní topnou patronu. Topná patrona je využita pro občasné hygienické přehřátí „Legionelní funkce“. Otopná soustava se předpokládá se stávajícím zdrojem tepla, kde výstup teplé vody z akumulační nádoby bude zpátečkou pro stávající zdroj a tento zajistí pouze dohřev na požadovanou teplotu. Regulační schéma především pro otopné systémy s vyšší teplotou topné vody anebo s vyšší teplotou bivalence – nezateplený dům.
Základní RS + AKU + TUV (nepřímý ohřev)
Regulační hydraulické schéma je svým způsobem atypické a je určeno pro okruh uživatelů, kteří požadují topnou vodu i v letních měsících, například pro otop podlahy koupelen apod., anebo pro uživatele, kteří již vlastní nějaký druh kombinovaného bojleru s topnou spirálou a požadují jeho využití. TUV v tomto regulačním schématu není ohřívána přímo z kondenzátoru TČ, ale je ohříváno teplou vodou z akumulační nádrže. Oběhové čerpadlo distribuuje vodu z nádrže přes integrovaný výměník bojleru a ohříva TUV. Výhodou tohoto schématu je velká zásoba TUV i při krátkém signálu HDO, neboť TUV je kontinuálně dohříváno z akumulační nádrže.












